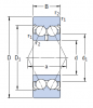
Опорный ролик на основе шарикоподшипника с плоской наружной поверхностью, встроенным уплотнением и элементами для повторного смазывания
Эти опорные ролики на основе шарикоподшипников предназначены для использования в роликовых приводах, конвейерных системах и т. д. Они созданы на основе двухрядных радиально-упорных шарикоподшипников. Оснащаются толстостенным наружным кольцом с цилиндрической рабочей поверхностью и поставляются заполненными пластичной смазкой, уплотнёнными и готовыми к монтажу. Смазочное отверстие во внутреннем кольце упрощает повторное смазывание.
Высокая радиальная грузоподъёмность и относительно высокие частоты вращения
Выдерживает опрокидывающие моменты
Длительный срок службы
Готовность к монтажу
Встроенное уплотнение, для повышенной надёжности, с возможностью повторного смазывания
Для покупки товара в нашем интернет-магазине выберите понравившийся товар и добавьте его в корзину. Далее перейдите в Корзину и нажмите на «Оформить заказ» или «Быстрый заказ».
Когда оформляете быстрый заказ, напишите ФИО, телефон и e-mail. Вам перезвонит менеджер и уточнит условия заказа. По результатам разговора вам придет подтверждение оформления товара на почту или через СМС. Теперь останется только ждать доставки и радоваться новой покупке.
Оформление заказа в стандартном режиме выглядит следующим образом. Заполняете полностью форму по последовательным этапам: адрес, способ доставки, оплаты, данные о себе. Советуем в комментарии к заказу написать информацию, которая поможет курьеру вас найти. Нажмите кнопку «Оформить заказ».
