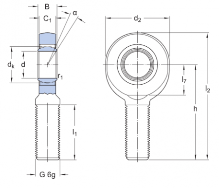
Наконечник штока
Наконечники штоков SKF состоят из головки с проушиной и хвостовиком, которая образует корпус сферического подшипника скольжения. Эти наконечники используются в таких устройствах, как гидравлические цилиндры, рулевые тяги, стяжные тяги и везде, где требуется точное шарнирное соединение. SKF поставляет как наконечники штоков, не требующие техобслуживания, так и наконечники штоков, требующие техобслуживания.
Комбинация корпусов подшипников для простой установки
Различные конструкции для отдельных узлов
Много комбинаций контактных поверхностей скольжения
Поставляются с внутренней или наружной левосторонней или правосторонней резьбой или со сварным хвостовиком
Для покупки товара в нашем интернет-магазине выберите понравившийся товар и добавьте его в корзину. Далее перейдите в Корзину и нажмите на «Оформить заказ» или «Быстрый заказ».
Когда оформляете быстрый заказ, напишите ФИО, телефон и e-mail. Вам перезвонит менеджер и уточнит условия заказа. По результатам разговора вам придет подтверждение оформления товара на почту или через СМС. Теперь останется только ждать доставки и радоваться новой покупке.
Оформление заказа в стандартном режиме выглядит следующим образом. Заполняете полностью форму по последовательным этапам: адрес, способ доставки, оплаты, данные о себе. Советуем в комментарии к заказу написать информацию, которая поможет курьеру вас найти. Нажмите кнопку «Оформить заказ».
