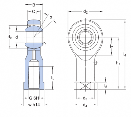
Наконечник штока, требует техобслуживания, с внутренней резьбой
Эти наконечники штоков SKF содержат сферический подшипник скольжения с комбинацией контактных поверхностей скольжения сталь/бронза. Подшипник требует технического обслуживания, размеры 6 и более смазываются через пресс-маслёнку в корпусе и через хвостовик. Внутренняя резьба может быть левосторонней (префикс SIL) или правосторонней.
Подходят для работы в условиях возможного смазочного голодания
Простота конструкции и готовность к монтажу
Удобное повторное смазывание (размеры ≥ 6)
Для покупки товара в нашем интернет-магазине выберите понравившийся товар и добавьте его в корзину. Далее перейдите в Корзину и нажмите на «Оформить заказ» или «Быстрый заказ».
Когда оформляете быстрый заказ, напишите ФИО, телефон и e-mail. Вам перезвонит менеджер и уточнит условия заказа. По результатам разговора вам придет подтверждение оформления товара на почту или через СМС. Теперь останется только ждать доставки и радоваться новой покупке.
Оформление заказа в стандартном режиме выглядит следующим образом. Заполняете полностью форму по последовательным этапам: адрес, способ доставки, оплаты, данные о себе. Советуем в комментарии к заказу написать информацию, которая поможет курьеру вас найти. Нажмите кнопку «Оформить заказ».
