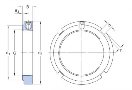
Метрические стопорные гайки типа KMFE со встроенным стопорным винтом
Стопорные гайки типа KMFE со встроенным стопорным винтом предназначены для осевой фиксации тороидальных роликоподшипников CARB, уплотнённых сферических роликоподшипников и уплотнённых самоустанавливающихся шарикоподшипников на валу. Они позволяют снизить стоимость валов ввиду отсутствия необходимости изготовления шпоночного паза. Монтаж со встроенным установочным винтом отличается более быстрой и лёгкой процедурой, и никаких отдельных фиксирующих устройств не требуется. Максимальное осевое биение фиксирующей плоскости гайки относительно оси резьбы составляет от 0,02 до 0,03 мм.
Шпоночный паз не требуется
Простая и надёжная фиксация для целевого применения
Многократное использование
Экономичность
Выпускаются под резьбу с M 20x1 по M 200x3 (размеры с 4 по 40)
Для покупки товара в нашем интернет-магазине выберите понравившийся товар и добавьте его в корзину. Далее перейдите в Корзину и нажмите на «Оформить заказ» или «Быстрый заказ».
Когда оформляете быстрый заказ, напишите ФИО, телефон и e-mail. Вам перезвонит менеджер и уточнит условия заказа. По результатам разговора вам придет подтверждение оформления товара на почту или через СМС. Теперь останется только ждать доставки и радоваться новой покупке.
Оформление заказа в стандартном режиме выглядит следующим образом. Заполняете полностью форму по последовательным этапам: адрес, способ доставки, оплаты, данные о себе. Советуем в комментарии к заказу написать информацию, которая поможет курьеру вас найти. Нажмите кнопку «Оформить заказ».
