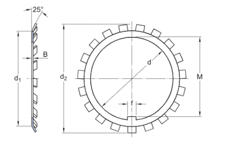
Фиксирующее устройство
Фиксирующие устройства, такие как стопорные гайки и стопорные шайбы в основном используются для фиксации подшипников на валу. Кроме того, их также можно использовать для монтажа подшипников с коническим отверстием на конических посадочных местах на валу и на закрепительных втулках, а также для демонтажа подшипников со стяжных втулок. Стопорные гайки часто используются для закрепления шестерён, шкивов и других деталей оборудования.
Простая установка
Быстрая фиксация на валу
Экономичность
Для покупки товара в нашем интернет-магазине выберите понравившийся товар и добавьте его в корзину. Далее перейдите в Корзину и нажмите на «Оформить заказ» или «Быстрый заказ».
Когда оформляете быстрый заказ, напишите ФИО, телефон и e-mail. Вам перезвонит менеджер и уточнит условия заказа. По результатам разговора вам придет подтверждение оформления товара на почту или через СМС. Теперь останется только ждать доставки и радоваться новой покупке.
Оформление заказа в стандартном режиме выглядит следующим образом. Заполняете полностью форму по последовательным этапам: адрес, способ доставки, оплаты, данные о себе. Советуем в комментарии к заказу написать информацию, которая поможет курьеру вас найти. Нажмите кнопку «Оформить заказ».
