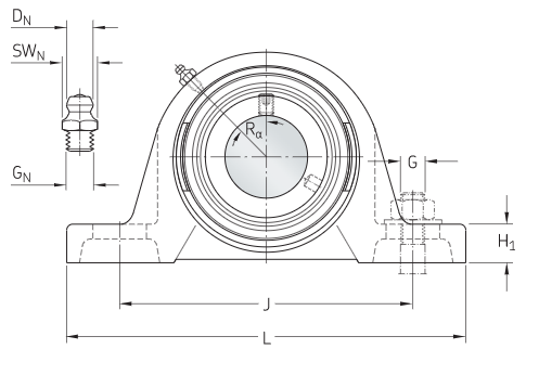
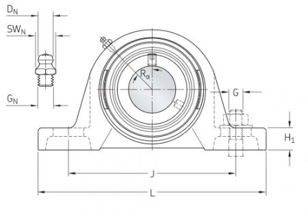
Стационарный шарикоподшипниковый узел с узким внутренним кольцом и с эксцентриковым стопорным кольцом, чугун, стандарты ISO
Стационарные шарикоподшипниковые узлы состоят из корпусного подшипника, установленного в чугунном корпусе, который крепится болтами к опорной поверхности. Этот вариант предназначен для установки на валах с постоянным направлением вращения. У него узкое внутреннее кольцо, а фиксация на валу осуществляется эксцентриковым стопорным кольцом, что облегчает монтаж.
Прочные
Готовы к установке
Смазанные и уплотнённые подшипники
Предназначены для вращения в одном направлении
Выдерживают первоначальное статическое смещение
Для покупки товара в нашем интернет-магазине выберите понравившийся товар и добавьте его в корзину. Далее перейдите в Корзину и нажмите на «Оформить заказ» или «Быстрый заказ».
Когда оформляете быстрый заказ, напишите ФИО, телефон и e-mail. Вам перезвонит менеджер и уточнит условия заказа. По результатам разговора вам придет подтверждение оформления товара на почту или через СМС. Теперь останется только ждать доставки и радоваться новой покупке.
Оформление заказа в стандартном режиме выглядит следующим образом. Заполняете полностью форму по последовательным этапам: адрес, способ доставки, оплаты, данные о себе. Советуем в комментарии к заказу написать информацию, которая поможет курьеру вас найти. Нажмите кнопку «Оформить заказ».
