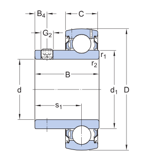
Корпусный подшипник с установочными винтами с фиксирующим и узким внутренним кольцом
Корпусные подшипники сконструированы на основе уплотнённых радиальных шарикоподшипников. Такой вариант корпусного подшипника применяется в условиях постоянного и переменного направления вращения. Внутреннее кольцо расширено с одной стороны, а его фиксация на валу осуществляется путем затягивания двух (установочных) винтов на внутреннем кольце.
Быстрый и простой монтаж на валу
Выдерживают первоначальное статическое смещение
Продолжительный срок службы
Пониженный уровень шума и вибрации
Для покупки товара в нашем интернет-магазине выберите понравившийся товар и добавьте его в корзину. Далее перейдите в Корзину и нажмите на «Оформить заказ» или «Быстрый заказ».
Когда оформляете быстрый заказ, напишите ФИО, телефон и e-mail. Вам перезвонит менеджер и уточнит условия заказа. По результатам разговора вам придет подтверждение оформления товара на почту или через СМС. Теперь останется только ждать доставки и радоваться новой покупке.
Оформление заказа в стандартном режиме выглядит следующим образом. Заполняете полностью форму по последовательным этапам: адрес, способ доставки, оплаты, данные о себе. Советуем в комментарии к заказу написать информацию, которая поможет курьеру вас найти. Нажмите кнопку «Оформить заказ».
