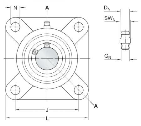
Шарикоподшипниковый узел с квадратным фланцем, фиксация с помощью установочных винтов, чугун, стандарты JIS
Эти шарикоподшипниковые узлы с квадратным фланцем соответствуют требованиям японских промышленных стандартов (JIS). Они состоят из корпусного подшипника с расширенным внутренним кольцом и креплением стопорными винтами, подходят для применения в условиях постоянного или переменного направления вращения. Подшипник устанавливается в корпусе, который крепится болтами к корпусу или раме оборудования. Шарикоподшипниковые узлы способны компенсировать начальный перекос средней величины, но, как правило, не способны компенсировать осевое смещение.
Защита в условиях сильного загрязнения
Предназначены для высоких частот вращения и температур
Выдерживают сравнительно большие нагрузки
Экономичность
Для покупки товара в нашем интернет-магазине выберите понравившийся товар и добавьте его в корзину. Далее перейдите в Корзину и нажмите на «Оформить заказ» или «Быстрый заказ».
Когда оформляете быстрый заказ, напишите ФИО, телефон и e-mail. Вам перезвонит менеджер и уточнит условия заказа. По результатам разговора вам придет подтверждение оформления товара на почту или через СМС. Теперь останется только ждать доставки и радоваться новой покупке.
Оформление заказа в стандартном режиме выглядит следующим образом. Заполняете полностью форму по последовательным этапам: адрес, способ доставки, оплаты, данные о себе. Советуем в комментарии к заказу написать информацию, которая поможет курьеру вас найти. Нажмите кнопку «Оформить заказ».
