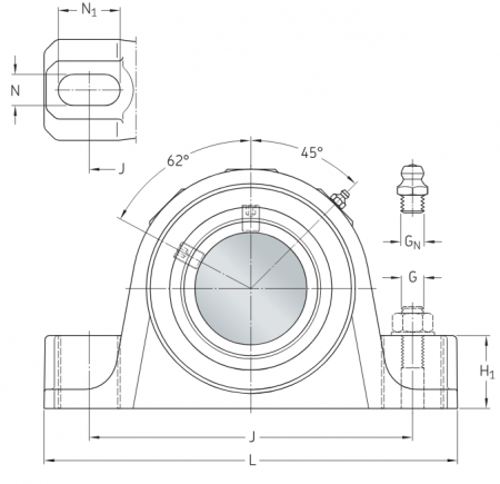
Стационарный роликоподшипниковый узел, два болта, фиксация с помощью установочных винтов
Стационарные и натяжные роликоподшипниковые узлы состоят из сферического или конического роликоподшипника, установленного в неразъёмном корпусе, который крепится болтами к опорной поверхности. В этом варианте сферический роликовый подшипник, основание с двумя болтами, а также фиксация с помощью установочных винтов, благодаря чему внутреннее кольцо подшипника прочно удерживается на валу. Узлы поставляются в уплотнённом исполнении, заполненными смазкой и готовыми к использованию. Этот подшипниковый узел отвечает самым разным требованиям, с дюймовыми размерами.
Готовы к установке
Прочные
Заводское смазывание и уплотнение
Быстрая установка
Продолжительный срок службы
Для покупки товара в нашем интернет-магазине выберите понравившийся товар и добавьте его в корзину. Далее перейдите в Корзину и нажмите на «Оформить заказ» или «Быстрый заказ».
Когда оформляете быстрый заказ, напишите ФИО, телефон и e-mail. Вам перезвонит менеджер и уточнит условия заказа. По результатам разговора вам придет подтверждение оформления товара на почту или через СМС. Теперь останется только ждать доставки и радоваться новой покупке.
Оформление заказа в стандартном режиме выглядит следующим образом. Заполняете полностью форму по последовательным этапам: адрес, способ доставки, оплаты, данные о себе. Советуем в комментарии к заказу написать информацию, которая поможет курьеру вас найти. Нажмите кнопку «Оформить заказ».
