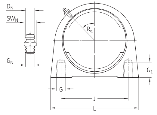
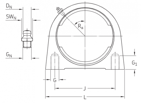
Стационарный корпус с коротким основанием для корпусных подшипников, чугун
Стационарные корпуса с коротким основанием предназначены для корпусного подшипника. Они прочные, жёсткие и экономичные, подходят для большинства областей применения. Корпус имеет резьбу для крепёжных болтов, поэтому прикручивается болтами непосредственно к опорной поверхности.
Выдерживают большие нагрузки в различных направлениях
Прочные
Высокая степень жёсткости
Узкая конструкция
Для покупки товара в нашем интернет-магазине выберите понравившийся товар и добавьте его в корзину. Далее перейдите в Корзину и нажмите на «Оформить заказ» или «Быстрый заказ».
Когда оформляете быстрый заказ, напишите ФИО, телефон и e-mail. Вам перезвонит менеджер и уточнит условия заказа. По результатам разговора вам придет подтверждение оформления товара на почту или через СМС. Теперь останется только ждать доставки и радоваться новой покупке.
Оформление заказа в стандартном режиме выглядит следующим образом. Заполняете полностью форму по последовательным этапам: адрес, способ доставки, оплаты, данные о себе. Советуем в комментарии к заказу написать информацию, которая поможет курьеру вас найти. Нажмите кнопку «Оформить заказ».
