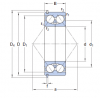
Двухрядный радиально-упорный шарикоподшипник со стопорным кольцом и разъёмным внутренним кольцом
Двухрядные радиально-упорные шарикоподшипники со стопорным кольцом и разъёмным внутренним кольцом соответствуют паре однорядных радиально-упорных шарикоподшипников, установленных по О-образной схеме. Стопорное кольцо, установленное в кольцевой канавке наружного кольца, упрощает осевую фиксацию подшипников в их корпусах. Разъёмное внутреннее кольцо позволяет разместить большее количество шариков, и обеспечить таким образом более высокую грузоподъёмность.
Стопорное кольцо упрощает осевую фиксацию в корпусе
Выдерживают очень высокие осевые нагрузки в обоих направлениях, радиальные нагрузки, и опрокидывающие моменты
Подходят, если требуется жёсткий подшипниковый узел
Требуют меньше осевого пространства, чем аналогичная пара однорядных радиально-упорных шарикоподшипников
Для покупки товара в нашем интернет-магазине выберите понравившийся товар и добавьте его в корзину. Далее перейдите в Корзину и нажмите на «Оформить заказ» или «Быстрый заказ».
Когда оформляете быстрый заказ, напишите ФИО, телефон и e-mail. Вам перезвонит менеджер и уточнит условия заказа. По результатам разговора вам придет подтверждение оформления товара на почту или через СМС. Теперь останется только ждать доставки и радоваться новой покупке.
Оформление заказа в стандартном режиме выглядит следующим образом. Заполняете полностью форму по последовательным этапам: адрес, способ доставки, оплаты, данные о себе. Советуем в комментарии к заказу написать информацию, которая поможет курьеру вас найти. Нажмите кнопку «Оформить заказ».
