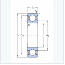
Радиальный шарикоподшипник с уплотнениями или защитными шайбами
Однорядные радиальные шарикоподшипники с уплотнениями или защитными шайбами особенно универсальны, отличаются низким трением, а их конструкция оптимизирована для обеспечения низкого уровня шума и вибрации, что позволяет им работать с высокими частотами вращения. Они воспринимают радиальные и осевые нагрузки в обоих направлениях, отличаются простотой монтажа и меньшей потребностью в техобслуживании по сравнению с многими подшипниками других типов. Встроенные уплотнения могут значительно увеличить срок службы подшипника, удерживая смазочный материал внутри и не допуская попадания в него загрязняющих веществ из окружающей среды.
Встроенное уплотнение увеличивает срок службы подшипника
Простая, универсальная и прочная конструкция
Низкий коэффициент трения и высокие частоты вращения
Выдерживают радиальные и осевые нагрузки в обоих направлениях
Не требуют сложного техобслуживания
Для покупки товара в нашем интернет-магазине выберите понравившийся товар и добавьте его в корзину. Далее перейдите в Корзину и нажмите на «Оформить заказ» или «Быстрый заказ».
Когда оформляете быстрый заказ, напишите ФИО, телефон и e-mail. Вам перезвонит менеджер и уточнит условия заказа. По результатам разговора вам придет подтверждение оформления товара на почту или через СМС. Теперь останется только ждать доставки и радоваться новой покупке.
Оформление заказа в стандартном режиме выглядит следующим образом. Заполняете полностью форму по последовательным этапам: адрес, способ доставки, оплаты, данные о себе. Советуем в комментарии к заказу написать информацию, которая поможет курьеру вас найти. Нажмите кнопку «Оформить заказ».
