Направляющее кольцо
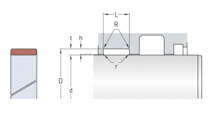
Гидравлические направляющие кольца изготавливаются из полимерных материалов и предотвращают контакт между металлическими движущимися компонентами работающего гидравлического цилиндра. Они воспринимают радиальные нагрузки, действующие на узел цилиндра, направляя шток в крышке цилиндра, а также поршень в отверстии цилиндра. Специальная конструкция гидравлической направляющей SKF обеспечивает длительный срок службы и повышает износостойкость поверхностей цилиндра.
Направляющая из полимерного материала
Длительный срок службы
Изготавливаются партнёрами SKF SEAL JET при отсутствии на складе
Для покупки товара в нашем интернет-магазине выберите понравившийся товар и добавьте его в корзину. Далее перейдите в Корзину и нажмите на «Оформить заказ» или «Быстрый заказ».
Когда оформляете быстрый заказ, напишите ФИО, телефон и e-mail. Вам перезвонит менеджер и уточнит условия заказа. По результатам разговора вам придет подтверждение оформления товара на почту или через СМС. Теперь останется только ждать доставки и радоваться новой покупке.
Оформление заказа в стандартном режиме выглядит следующим образом. Заполняете полностью форму по последовательным этапам: адрес, способ доставки, оплаты, данные о себе. Советуем в комментарии к заказу написать информацию, которая поможет курьеру вас найти. Нажмите кнопку «Оформить заказ».
